МС-1 прот. R1 модуль сопряжения Рубеж; подключение объединенных адресных ПКП по RS-485 к USB-порту; светодиодная индикация; тех. готовность 1 сек после подключения; питание от USB-интерфейса ПК; 0 + 40 °С; 125х78х37 мм; 200 г.
Подробности
6 370 руб./шт
Нет в наличии
Цена по запросу
Наши менеджеры обязательно свяжутся с вами и уточнят условия заказа
Хочу в подарок
Самовывоз - бесплатно; перемещение между филиалами - бесплатно; до терминала ТК довезём - бесплатно.
Цена действительна только для интернет-магазина и может отличаться от цен в розничных магазинах
Описание:
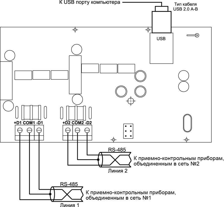
Модуль сопряжения МС-1 представляет собой цифровое электронное устройство и предназначен для сопряжения адресных приемно-контрольных приборов, блоков индикации и пультов дистанционного управления с компьютером.
Модуль сопряжения МС-1 обеспечивает:
подключение объединенных по интерфейсу RS-485 адресных приемно-контрольных приборов к USB порту компьютера для управления и мониторинга системы;
подключение к компьютеру системы с перекрестными связями между адресными приемно-контрольными приборами, находящимися в одной сети RS-485;
светодиодную индикацию наличия связи приборов с компьютером.
Время технической готовности МС к работе после подключения – не более 1 секунды.
Питание модуля осуществляется от USB интерфейса компьютера. На лицевой стороне прибора расположены светодиодные индикаторы, предназначенные для индикации текущего состояния МС.
Светодиодный индикатор Связь:
при подключении USB, но при отсутствии обмена с программой мониторинга FireSec, мигает с частотой 1 Гц;
при наличии обмена с ПК мигает с частотой 5 Гц;
при потере связи с ПК – однократные вспышки с периодом 2 секунды.
Светодиодные индикаторы RS-485 «1» и «2»:
при отсутствии обмена с ПКП – не светятся;
при наличии обмена с ПКП мигают с частотой 10 Гц.
Характеристики:
Питание: от USB ПК
Количество выходов для подключения интерфейсов:
RS-485: 1
гальванически развязанный USB: 1
Длина кабеля интерфейса RS485, не более: 1000 м
Длина кабеля интерфейса USB, до: 2 м
Габаритные размеры модуля, не более: 125х78х37 мм
Масса, не более: 200 г
Рабочий диапазон температур: от 0 до плюс 40°С
Средний срок службы: 10 лет
Модуль сопряжения МС-1 представляет собой цифровое электронное устройство и предназначен для сопряжения адресных приемно-контрольных приборов, блоков индикации и пультов дистанционного управления с компьютером.
Модуль сопряжения МС-1 обеспечивает:
подключение объединенных по интерфейсу RS-485 адресных приемно-контрольных приборов к USB порту компьютера для управления и мониторинга системы;
подключение к компьютеру системы с перекрестными связями между адресными приемно-контрольными приборами, находящимися в одной сети RS-485;
светодиодную индикацию наличия связи приборов с компьютером.
Время технической готовности МС к работе после подключения – не более 1 секунды.
Питание модуля осуществляется от USB интерфейса компьютера. На лицевой стороне прибора расположены светодиодные индикаторы, предназначенные для индикации текущего состояния МС.
Светодиодный индикатор Связь:
при подключении USB, но при отсутствии обмена с программой мониторинга FireSec, мигает с частотой 1 Гц;
при наличии обмена с ПК мигает с частотой 5 Гц;
при потере связи с ПК – однократные вспышки с периодом 2 секунды.
Светодиодные индикаторы RS-485 «1» и «2»:
при отсутствии обмена с ПКП – не светятся;
при наличии обмена с ПКП мигают с частотой 10 Гц.
Характеристики:
Питание: от USB ПК
Количество выходов для подключения интерфейсов:
RS-485: 1
гальванически развязанный USB: 1
Длина кабеля интерфейса RS485, не более: 1000 м
Длина кабеля интерфейса USB, до: 2 м
Габаритные размеры модуля, не более: 125х78х37 мм
Масса, не более: 200 г
Рабочий диапазон температур: от 0 до плюс 40°С
Средний срок службы: 10 лет
Бренд
RUBEZH
Габариты: Ширина (м)
0.125
Габариты: Высота (м)
0.037
Габариты: Длина (м)
0.084
Габариты: вес (кг)
0.2
Наличие
Экономьте время на получении заказа. В интернет-магазине доступно 4 варианта доставки:
- Курьерская доставка работает с 9.00 до 19.00. Когда товар поступит на склад, курьерская служба свяжется для уточнения деталей. Специалист предложит выбрать удобное время доставки и уточнит адрес. Осмотрите упаковку на целостность и соответствие указанной комплектации.
- Самовывоз из магазина. Список торговых точек для выбора появится в корзине. Когда заказ поступит на склад, вам придет уведомление. Для получения заказа обратитесь к сотруднику в кассовой зоне и назовите номер.
- Постамат. Когда заказ поступит на точку, на ваш телефон или e-mail придет уникальный код. Заказ нужно оплатить в терминале постамата. Срок хранения — 3 дня.
- Почтовая доставка через почту России. Когда заказ придет в отделение, на ваш адрес придет извещение о посылке. Перед оплатой вы можете оценить состояние коробки: вес, целостность. Вскрывать коробку самостоятельно вы можете только после оплаты заказа. Один заказ может содержать не больше 10 позиций и его стоимость не должна превышать 100 000 р.






