Есть в наличии
БийскКемеровоКрасноярскИркутск
Код: 36690
ИП 101-29-PR-R3 W1.02 извещатель пожарный тепловой максимально-дифференциальный адресно-аналоговый (20 шт/уп) Рубеж; измерение температуры окружающей среды; расчет скорости изменения температуры; обработка результатов измерений; тестирование работоспособности; питание от АЛС; новый корпус; IP40; -25 +65°С; 94*58 мм; 210 г.
1 504 руб./шт
В корзину
Купить в 1 клик
Есть в наличии
НовосибирскБарнаулБийскКемеровоИркутск
Код: 51463
Мираж-GSM-М8-04 контроллер охранно-пожарного мониторинга; 8 собственных охранно-пожарных шлейфов сигнализации; 8 собственных логических разделов; GSM/GPRS 2; 2 IP-адреса ; поддержка ключей и Proximity-карт; журнал событий; 3 выхода типа «открытый коллектор»: АКБ 7 А-ч, 9 А-ч / 12 В; 100–264 В; 700 мА; –40 +55 °С; 260 x 180 x 85 мм.
15 400 руб./шт
В корзину
Купить в 1 клик
Есть в наличии
БарнаулБийскКрасноярскИркутскМосква
Код: 47941
ИО30920-2 прот.R3 извещатель охранный объемный оптико-электронный пассивный адресный (24 шт/уп) Рубеж; светодиодная индикация; угол обзора по горизонтали 6°-76°, по вертикали 90°; питание от АЛС; 200мкА; режимы чувствительности: низкая, средняя, высокая; дальность действия, не более: 12 м; -10 до +50°С; IP 41; 95х65х40 мм; 100 г.
2 182 руб./шт
В корзину
Купить в 1 клик
Есть в наличии
НовосибирскБарнаулБийскКрасноярскИркутскМосква
Код: 17820
Рубеж-ПДУ пульт дистанционного управления Рубеж; удаленное включение и выключение исполнительных устройств системы; управление одним или группой исполнительных устройств; светодиодная индикация состояния приписанных к направлениям устройств; звуковая сигнализация неисправностей исполнительных устройств; 28В; 7 Вт; 0 +55 °С; 200х160х50 мм; 1 кг.
22 236 руб./шт
В корзину
Купить в 1 клик
Есть в наличии
НовосибирскБарнаулБийскКемеровоКрасноярскИркутскМосква
Код: 41137
Рубеж-БИУ блок индикации и управления (10 шт/уп) Рубеж; прием сигналов от приемно-контрольных приборов; 8 светодиодных индикаторов состояния системы; 250 управляемых зон, либо отображаемых устройств; 28 В; 7 Вт; 0 + 55 °С; 200х160х50 мм; 1 кг.
22 236 руб./шт
В корзину
Купить в 1 клик
Есть в наличии
Барнаул
Код: 38721
ОПОП 1-8 12В "ВЫХОД + стрелка вправо", фон зелёный Оповещатель охранно-пожарный световой Рубеж
503 руб./шт
В корзину
Купить в 1 клик
Есть в наличии
НовосибирскБарнаулКемеровоКрасноярскИркутск
Код: 34065
ОПОП 1-8 12В "Автоматика отключена", фон красный Оповещатель охранно-пожарный световой Рубеж
503 руб./шт
В корзину
Купить в 1 клик
Есть в наличии
Барнаул
Код: 22066
ОПОП 1-8 12В "стрелка влево", фон зеленый Оповещатель охранно-пожарный световой Рубеж
503 руб./шт
В корзину
Купить в 1 клик
Есть в наличии
НовосибирскБарнаулБийскКемеровоКрасноярск
Код: 50567
ОПОП 124-7 24В (корпус бело/красный) оповещатель охранно-пожарный свето-звуковой Рубеж
683 руб./шт
В корзину
Купить в 1 клик
Есть в наличии
НовосибирскКемеровоКрасноярскМосква
Код: 45967
ОПОП 2-35 24В (корпус бело/красный) оповещатель охранно-пожарный звуковой (20 шт/уп) Рубеж; напряжение питания от источника постоянного тока 24±4 В; ток потребления при питании 24 В не более 40 мА; IP41; от -45 до +55 °С; 87x88х44 мм; 90 г.
633 руб./шт
В корзину
Купить в 1 клик
Есть в наличии
НовосибирскБарнаулБийскКемеровоКрасноярск
Код: 888
ДИП-50М (ИП 212-50М) "Марко" извещатель пожарный дымовой (20 шт/уп) Рубеж; удобное тестирование с помощью кнопки; микропроцессорная обработка результата; 0,05-0,2 дБ/м; 9В; 30 мкА; -10 до +55 °С; IP 40; Ø95х50 мм; 200 г.
1 306 руб./шт
В корзину
Купить в 1 клик
Есть в наличии
НовосибирскБарнаулКрасноярск
Код: 26426
ИП 212-187 W1.04 извещатель пожарный дымовой оптико-электронный Рубеж; питание извещателя от 9 до 30 В; IP30; от -45 до +55 °С; Ø106х45 мм; 210 г.
652 руб./шт
В корзину
Купить в 1 клик
Есть в наличии
НовосибирскБарнаулКемеровоКрасноярскИркутскМосква
Код: 39001
Шорох-3 исп.В извещатель охранный совмещенный (вибрационный, изменения положения и газовый); обнаружение попыток взлома и хищения банковских средств защиты; обнаружение разрушающих воздействий любыми видами инструмента; полупроводниковый чувствительный элемент; контроль вскрытия корпуса и отрыва от поверхности; возможность конфигурирование с помощью ПК через УС-ПИ; чувствительность к углу наклона 5 °; 0 +50 С°; IP30; 101 х 43 х 33 мм.
6 849 руб./шт
В корзину
Купить в 1 клик
Есть в наличии
Барнаул
Код: 42356
Элемент питания ER26500 (LSH 14) для Астра-Z-2345, Астра-Z-2945; литий-тионил-хлоридная; 5500 mAh; 3,6 V; -60°C +85°C; 26x50.4 мм.
1 300 руб./шт
В корзину
Купить в 1 клик
Есть в наличии
НовосибирскБарнаул
Код: 26667
Proxy-5AG считыватель бесконтактный Болид; проксимити карты EM-Marin, ProxCard с интерфейсом Touch Memory; кнопка для команд; дистанция считывания до 10 см; четырёхжильный кабель; встроенный звуковой сигнализатор; питание от прибора, к которому подключен; - 20 + 50 С°; серый; IР20; 43х83х14 мм.
5 460 руб./шт
В корзину
Купить в 1 клик
Есть в наличии
НовосибирскБарнаулИркутскМосква
Код: 18911
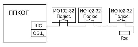
ИО 102-32 «Полюс-2» извещатель охранный точечный магнитоконтактный; скрытое крепление; можно установить на металл. поверхность; извещение "Тревога" выдается на ПкП; не предназначен для использования в химически агрессивных средах; -50...+50 °С, белый, пластик; 57*18*16 мм; 20 г.
370 руб./шт
В корзину
Купить в 1 клик
Есть в наличии
НовосибирскБарнаулКемеровоИркутск
Код: 19397
БЗЛ блок защиты линии Болид; -30 +50 °C; 75*75*46 мм; 100 г.
959.40 руб./шт
В корзину
Купить в 1 клик
Есть в наличии
НовосибирскБарнаулКемеровоКрасноярскИркутскМосква
Код: 17423
ИПДЛ-Д-I/4Р извещатель пожарный дымовой линейный с отражателем; IP41; -25..+55C; 160х96х100 мм; 0,6 кг.
13 120 руб./шт
В корзину
Купить в 1 клик
Есть в наличии
НовосибирскБарнаулБийскКемеровоКрасноярскИркутскМосква
Код: 33787
Рубеж-2ОП прот. R3 прибор приемно-контрольный и управления охранно-пожарный адреcный ППКОП 011249-2-1 (10 шт/уп) Рубеж; централизованное управление несколькими подчиненными приборами; система ОПС с объединением в сеть до 60 панелей; контроль устройств АЛС, 2 линии, длина не более 3000 м, подключение до 500 устройств; энергонезависимая память для хранения базы данных; часы реального времени с независимым питанием от литиевой батарейки; журналы на 1024 пожарных и 500 охранных событий; ПО «FireSec Администратор» в комплекте; RS-485; USB; напряжение питания 12 В DC; 0° +55°С; 200х160х50 мм; 1кг.
88 057 руб./шт
В корзину
Купить в 1 клик
Есть в наличии
НовосибирскБарнаулБийскКемеровоКрасноярскИркутскМосква
Код: 38021
УДП 513-10 "Пуск пожаротушения" (желтый) (20 шт/уп) Рубеж; жёлтого цвета; с устройством индикации; 9-30 В; 50 мкА; IP31; 88х86х45 мм.
553 руб./шт
В корзину
Купить в 1 клик

















