ИПР-513-10 извещатель пожарный ручной Рубеж; существляет формирование сигнала на включение различных инженерных систем при нажатии на кнопку; оптический индикатор красного цвета; модифицированный механизм срабатывания; корпус изготовлен из ударопрочного и износостойкого материала АБС; 9 -30 В, 50 мкА; 500 Ом; -40 +60 °С; IP 41; 88х86х45 мм; 150 г.
Подробности
388 руб./шт
Цена указана с учетом НДС 22%
Есть в наличии в 7 магазинах
НовосибирскБарнаулБийскКемеровоКрасноярскИркутскМосква
В корзину
Купить в 1 клик
Рассчитать доставку
Хочу в подарок
Самовывоз - бесплатно; перемещение между филиалами - бесплатно; до терминала ТК довезём - бесплатно.
Цена действительна только для интернет-магазина и может отличаться от цен в розничных магазинах
Описание:
Извещатель пожарный ручной электроконтактный ИПР 513-10 (далее в тексте – извещатель ручной) предназначен для ручной подачи сигнала «Пожар» в системах пожарной и охранно-пожарной сигнализации.
ИПР 513-10 выпускается в двух исполнениях: ИПР 513-10 и ИПР 513-10 исп.1.
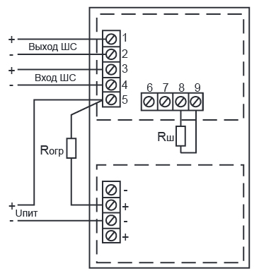
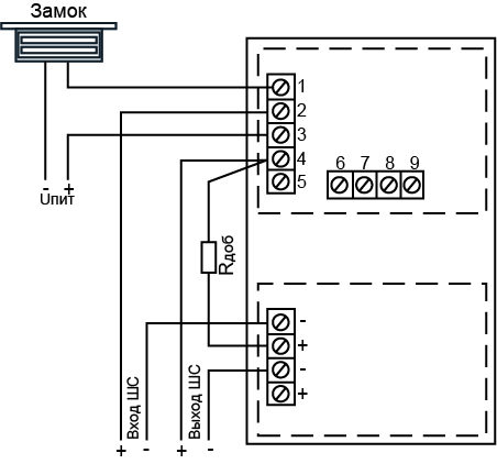
ИПР 513-10 - питание и передача сигнала «Пожар» осуществляются по двухпроводному шлейфу сигнализации (ШС) и сопровождается включением оптического индикатора при срабатывании ИПР. ИПР 513-10 предназначен для работы с любыми приемно-контрольными приборами, обеспечивающими напряжение питания в шлейфе сигнализации в диапазоне от 9 до 30 В и воспринимающими сигнал сработки ИПР в виде скачкообразного уменьшения внутреннего сопротивления извещателя в прямой полярности до величины не более 500 Ом.
Извещатель пожарный ручной осуществляет формирование сигнала на включение различных инженерных систем при нажатии на кнопку. Снятие сигнала осуществляется возвратом кнопки в исходное положение с использованием штыря диаметром не более 3 мм. Устройство дистанционного пуска состоит из основания и корпуса. На основании установлена плата с радиоэлементами и клеммником для подключения проводов ШС.
ИПР обладает следующими потребительскими свойствами:
питание извещателя и передача сигнала сработки осуществляются по двухпроводному шлейфу сигнализации (ШС) (в зависимости от исполнения ИПР);
широкий диапазон напряжений питания 9-30 В (в зависимости от исполнения ИПР);
ИПР срабатывает при нажатии на кнопку с усилием не менее 1,5 кг. После снятия усилия ИПР остается во включенном состоянии. Для возврата кнопки в исходное положение необходимо нажать на замок (через отверстие в центре кнопки) любым штырем диаметром не более 3 мм, например, отверткой;
для информации о режимах работы ИПР и состоянии ШС предусмотрен оптический индикатор красного цвета;
модифицированный механизм срабатывания;
корпус ИПР изготовлен из ударопрочного и износостойкого материала АБС;
малые габаритные размеры и современный дизайн корпуса.
Характеристики
Напряжение питания: от 9 до 30 В
Ток потребления в дежурном режиме: не более 50 мкА
Сопротивление извещателя в режиме пожар: 500 Ом
Допустимый ток, коммутируемый «сухими контактами» ИПР 513-10 исп.1 при напряжении до 30 В постоянного тока и до 125 В переменного тока, не более: 1А
Помехоустойчивость по ГОСТ Р 53325
(к наносекундным импульсам напряжения, к электростатическому разряду, к электромагнитному полю): 3 степень
Габаритные размеры извещателя: 88х86х45 мм
Масса извещателя: не более 150 г
Степень защиты оболочки извещателя: IP41
Диапазон рабочих температур: от -40 до +60 °С
Средний срок службы: не менее 10 лет
Извещатель пожарный ручной электроконтактный ИПР 513-10 (далее в тексте – извещатель ручной) предназначен для ручной подачи сигнала «Пожар» в системах пожарной и охранно-пожарной сигнализации.
ИПР 513-10 выпускается в двух исполнениях: ИПР 513-10 и ИПР 513-10 исп.1.
ИПР 513-10 - питание и передача сигнала «Пожар» осуществляются по двухпроводному шлейфу сигнализации (ШС) и сопровождается включением оптического индикатора при срабатывании ИПР. ИПР 513-10 предназначен для работы с любыми приемно-контрольными приборами, обеспечивающими напряжение питания в шлейфе сигнализации в диапазоне от 9 до 30 В и воспринимающими сигнал сработки ИПР в виде скачкообразного уменьшения внутреннего сопротивления извещателя в прямой полярности до величины не более 500 Ом.
Извещатель пожарный ручной осуществляет формирование сигнала на включение различных инженерных систем при нажатии на кнопку. Снятие сигнала осуществляется возвратом кнопки в исходное положение с использованием штыря диаметром не более 3 мм. Устройство дистанционного пуска состоит из основания и корпуса. На основании установлена плата с радиоэлементами и клеммником для подключения проводов ШС.
ИПР обладает следующими потребительскими свойствами:
питание извещателя и передача сигнала сработки осуществляются по двухпроводному шлейфу сигнализации (ШС) (в зависимости от исполнения ИПР);
широкий диапазон напряжений питания 9-30 В (в зависимости от исполнения ИПР);
ИПР срабатывает при нажатии на кнопку с усилием не менее 1,5 кг. После снятия усилия ИПР остается во включенном состоянии. Для возврата кнопки в исходное положение необходимо нажать на замок (через отверстие в центре кнопки) любым штырем диаметром не более 3 мм, например, отверткой;
для информации о режимах работы ИПР и состоянии ШС предусмотрен оптический индикатор красного цвета;
модифицированный механизм срабатывания;
корпус ИПР изготовлен из ударопрочного и износостойкого материала АБС;
малые габаритные размеры и современный дизайн корпуса.
Характеристики
Напряжение питания: от 9 до 30 В
Ток потребления в дежурном режиме: не более 50 мкА
Сопротивление извещателя в режиме пожар: 500 Ом
Допустимый ток, коммутируемый «сухими контактами» ИПР 513-10 исп.1 при напряжении до 30 В постоянного тока и до 125 В переменного тока, не более: 1А
Помехоустойчивость по ГОСТ Р 53325
(к наносекундным импульсам напряжения, к электростатическому разряду, к электромагнитному полю): 3 степень
Габаритные размеры извещателя: 88х86х45 мм
Масса извещателя: не более 150 г
Степень защиты оболочки извещателя: IP41
Диапазон рабочих температур: от -40 до +60 °С
Средний срок службы: не менее 10 лет
Бренд
RUBEZH
Габариты: Ширина (м)
0.085
Габариты: Высота (м)
0.043
Габариты: Длина (м)
0.088
Количество проголосовавших
1
Сумма оценок
3
Рейтинг
3.11
Габариты: вес (кг)
0.15
Наличие
Экономьте время на получении заказа. В интернет-магазине доступно 4 варианта доставки:
- Курьерская доставка работает с 9.00 до 19.00. Когда товар поступит на склад, курьерская служба свяжется для уточнения деталей. Специалист предложит выбрать удобное время доставки и уточнит адрес. Осмотрите упаковку на целостность и соответствие указанной комплектации.
- Самовывоз из магазина. Список торговых точек для выбора появится в корзине. Когда заказ поступит на склад, вам придет уведомление. Для получения заказа обратитесь к сотруднику в кассовой зоне и назовите номер.
- Постамат. Когда заказ поступит на точку, на ваш телефон или e-mail придет уникальный код. Заказ нужно оплатить в терминале постамата. Срок хранения — 3 дня.
- Почтовая доставка через почту России. Когда заказ придет в отделение, на ваш адрес придет извещение о посылке. Перед оплатой вы можете оценить состояние коробки: вес, целостность. Вскрывать коробку самостоятельно вы можете только после оплаты заказа. Один заказ может содержать не больше 10 позиций и его стоимость не должна превышать 100 000 р.






