ШУН/В-О-0,37-01-УК15-R3 шкаф управления адресный Рубеж; мощность подключаемого электродвигателя 0,37кВт; мощность калорифера от 6,1 до 15кВт; от -25 до +55С.
Подробности
103 646 руб./шт
Есть в наличии в 1 магазине
Новосибирск
В корзину
Купить в 1 клик
Рассчитать доставку
Хочу в подарок
Самовывоз - бесплатно; перемещение между филиалами - бесплатно; до терминала ТК довезём - бесплатно.
Цена действительна только для интернет-магазина и может отличаться от цен в розничных магазинах
Описание:
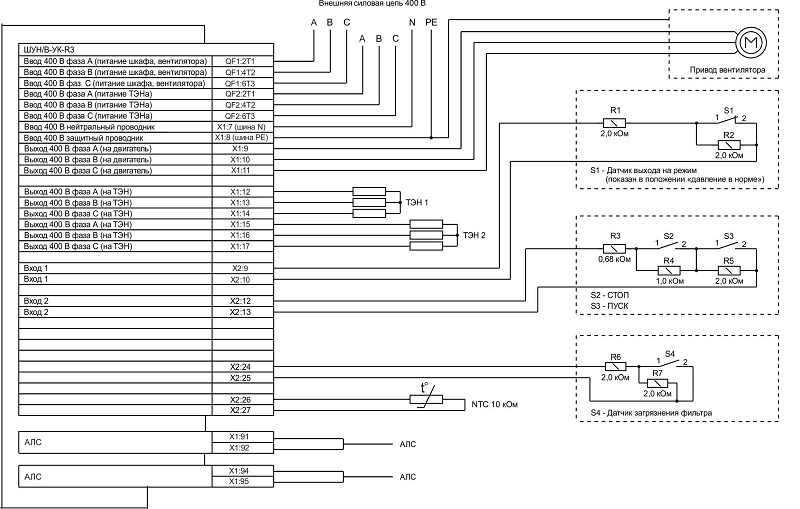
ШУН/В-УК-R3 предназначен для управления работой электродвигателя вентилятора приточной вентиляции (подпором воздуха) и двухступенчатым (одноступенчатым) калорифером подогрева воздуха в системе противопожарной защиты использующей протокол обмена RS-R3.
Шкаф управления пожарный ШУН/В-УК-R3 с дополнительной функцией управления ТЭНами канальных калориферов предназначен для управления работой электродвигателя вентилятора приточной вентиляции (подпором воздуха) и двухступенчатым (одноступенчатым) калорифером подогрева воздуха в системе противопожарной защиты под управлением приемно-контрольного прибора «Рубеж-2ОП» прот.R3.
Работа ШУ в режиме управления электродвигателем не отличается от работы обычного ШУН/В (без дополнительной функции управления калорифером). ШУН/В-УК-.R3 обеспечивает работу с трехфазными электродвигателями номинальной мощностью от 1,5 кВт до 45 кВт и однофазными электродвигателями номинальной мощностью от 1,5 кВт до 3 кВт.
ШУН/В-УК-R3 реализует следующие функции:
Включения и отключения электродвигателя вентилятора по командам от прибора «Рубеж-2ОП прот.R3»;
Включения и отключения электродвигателя вентилятора по командам ручного управления с кнопок на панели ШУ или кнопок дистанционного управления;
Контроля температуры приточного воздуха и включения, при необходимости, ТЭНов управления калорифером;
Контроля исправности электропитания, основных электрических цепей ШУ, цепей входных сигналов от датчиков, цепи питания электродвигателя и ТЭН на обрыв;
Световой индикации режимов работы и состояния ШУН/В-УК-R3.
ШУН/В-УК-R3 может находиться в следующих режимах управления:
«Автоматический», когда управление работой электродвигателя осуществляется по командам с ППКПУ.
«Ручной», когда управление работой осуществляется с панели управления кнопками Пуск и Стоп.
«Отключен», когда контактор обесточен и пуск электродвигателя невозможен.
Характеристики:
Напряжение питания, В: 400
Ток потребления от АЛС, мА, не более; 0.21
Мощность калорифера, кВт, не более: от 6,1 до 15
Управление калорифером: Да
Мощность подключаемого электродвигателя, кВт: 0,37
Собственная потребляемая мощность от сети, ВА, не более: 100
Степень защиты оболочки: IP31/IP54
Тип системы заземления: ТN-S
Средний срок службы, лет: 10
Диапазон рабочих температур, °С: от -25 до +55
ШУН/В-УК-R3 предназначен для управления работой электродвигателя вентилятора приточной вентиляции (подпором воздуха) и двухступенчатым (одноступенчатым) калорифером подогрева воздуха в системе противопожарной защиты использующей протокол обмена RS-R3.
Шкаф управления пожарный ШУН/В-УК-R3 с дополнительной функцией управления ТЭНами канальных калориферов предназначен для управления работой электродвигателя вентилятора приточной вентиляции (подпором воздуха) и двухступенчатым (одноступенчатым) калорифером подогрева воздуха в системе противопожарной защиты под управлением приемно-контрольного прибора «Рубеж-2ОП» прот.R3.
Работа ШУ в режиме управления электродвигателем не отличается от работы обычного ШУН/В (без дополнительной функции управления калорифером). ШУН/В-УК-.R3 обеспечивает работу с трехфазными электродвигателями номинальной мощностью от 1,5 кВт до 45 кВт и однофазными электродвигателями номинальной мощностью от 1,5 кВт до 3 кВт.
ШУН/В-УК-R3 реализует следующие функции:
Включения и отключения электродвигателя вентилятора по командам от прибора «Рубеж-2ОП прот.R3»;
Включения и отключения электродвигателя вентилятора по командам ручного управления с кнопок на панели ШУ или кнопок дистанционного управления;
Контроля температуры приточного воздуха и включения, при необходимости, ТЭНов управления калорифером;
Контроля исправности электропитания, основных электрических цепей ШУ, цепей входных сигналов от датчиков, цепи питания электродвигателя и ТЭН на обрыв;
Световой индикации режимов работы и состояния ШУН/В-УК-R3.
ШУН/В-УК-R3 может находиться в следующих режимах управления:
«Автоматический», когда управление работой электродвигателя осуществляется по командам с ППКПУ.
«Ручной», когда управление работой осуществляется с панели управления кнопками Пуск и Стоп.
«Отключен», когда контактор обесточен и пуск электродвигателя невозможен.
Характеристики:
Напряжение питания, В: 400
Ток потребления от АЛС, мА, не более; 0.21
Мощность калорифера, кВт, не более: от 6,1 до 15
Управление калорифером: Да
Мощность подключаемого электродвигателя, кВт: 0,37
Собственная потребляемая мощность от сети, ВА, не более: 100
Степень защиты оболочки: IP31/IP54
Тип системы заземления: ТN-S
Средний срок службы, лет: 10
Диапазон рабочих температур, °С: от -25 до +55
Бренд
RUBEZH
Габариты: Ширина (м)
0.42
Габариты: Высота (м)
0.42
Габариты: Длина (м)
0.23
Габариты: вес (кг)
5.5
Наличие
Экономьте время на получении заказа. В интернет-магазине доступно 4 варианта доставки:
- Курьерская доставка работает с 9.00 до 19.00. Когда товар поступит на склад, курьерская служба свяжется для уточнения деталей. Специалист предложит выбрать удобное время доставки и уточнит адрес. Осмотрите упаковку на целостность и соответствие указанной комплектации.
- Самовывоз из магазина. Список торговых точек для выбора появится в корзине. Когда заказ поступит на склад, вам придет уведомление. Для получения заказа обратитесь к сотруднику в кассовой зоне и назовите номер.
- Постамат. Когда заказ поступит на точку, на ваш телефон или e-mail придет уникальный код. Заказ нужно оплатить в терминале постамата. Срок хранения — 3 дня.
- Почтовая доставка через почту России. Когда заказ придет в отделение, на ваш адрес придет извещение о посылке. Перед оплатой вы можете оценить состояние коробки: вес, целостность. Вскрывать коробку самостоятельно вы можете только после оплаты заказа. Один заказ может содержать не больше 10 позиций и его стоимость не должна превышать 100 000 р.






