Есть в наличии
Бийск
Код: 51785
PATROL-201PET GSN пассивный инфракрасный извещатель с защитой от срабатывания на домашних животных весом до 20 кг; плавная регулировка чувствительности веса; автоматический счётчик уровней входящих импульсов; чёткое фокусирование инфракрасного излучения, защита от ложных срабатываний; помехозащищенность; дальность обнаружения 15 м. x 90°; 8,5 -16 В, 11,2 мА; -30 +50 °С; 93 х 66 х 46 мм; 94 г.
1 150 руб./шт
В корзину
Купить в 1 клик
Есть в наличии
НовосибирскБарнаулКемеровоКрасноярскИркутскМосква
Код: 39001
Шорох-3 исп.В извещатель охранный совмещенный (вибрационный, изменения положения и газовый); обнаружение попыток взлома и хищения банковских средств защиты; обнаружение разрушающих воздействий любыми видами инструмента; полупроводниковый чувствительный элемент; контроль вскрытия корпуса и отрыва от поверхности; возможность конфигурирование с помощью ПК через УС-ПИ; чувствительность к углу наклона 5 °; 0 +50 С°; IP30; 101 х 43 х 33 мм.
6 355 руб./шт
В корзину
Купить в 1 клик
Есть в наличии
НовосибирскБарнаулИркутскМосква
Код: 18911
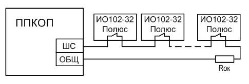
ИО 102-32 «Полюс-2» извещатель охранный точечный магнитоконтактный; скрытое крепление; можно установить на металл. поверхность; извещение "Тревога" выдается на ПкП; не предназначен для использования в химически агрессивных средах; -50...+50 °С, белый, пластик; 57*18*16 мм; 20 г.
335 руб./шт
В корзину
Купить в 1 клик
Есть в наличии
НовосибирскБарнаулКрасноярскИркутск
Код: 46330
КНС-1 (ИО 101-50) извещатель охранный ручной электроконтактный (тревожная кнопка) без замка; с защитой от вскрытия корпуса; пониженным шумом переключения; защитой от ложных срабатываний; -30…+50 °С; 77х57х30 мм.
312.50 руб./шт
В корзину
Купить в 1 клик
Есть в наличии
НовосибирскБарнаулКемеровоКрасноярскИркутскМосква
Код: 11688
Астра-512 ИК извещатель охранный объемный оптико-электронный ИО 409-42; дальность 10 м, 90°; антисаботажная зона; микропроцессор; 4-площадочный PIR-детектор; устойчивость к животным (до 20 кг); дискр.регулировка чувствительности; угловой кронштейн в комплекте; IP41; -30 +50 °С; 78*63*44 мм.
1 050 руб./шт
В корзину
Купить в 1 клик
Есть в наличии
НовосибирскБарнаулБийскКемеровоКрасноярскИркутскМосква
Код: 35058
Фотон-19 (ИО409-41) извещатель охранный объемный оптико-электронный; микропроцессорная обработка сигнала; сферическая линза, 8/12 м х 90°, устройчивость к перемещению домашних животных весом до 40 кг (регулир.), Uпит.10…15В, Iпотр.9…15мА, IP41, tраб.-30…+50°С, 105x75x56 мм.
1 162 руб./шт
В корзину
Купить в 1 клик
Есть в наличии
БарнаулБийскКемерово
Код: 28943
ИО 102-20/Б2П (В) извещатель охранный точечный магнитоконтактный накладной; подключение через винтовой клеммник; корпуса блоков извещателя из пластмассы; рассчитан на непрерывную круглосуточную работу; без защитного рукава; корпуса блоков извещателя из пластмассы; 0,001- 0,5 А, 0,02 -72 В; 0,5 Ом; - 50 + 50 °С; 155 г.
230 руб./шт
В корзину
Купить в 1 клик
Есть в наличии
НовосибирскБарнаулБийскКемеровоКрасноярскИркутскМосква
Код: 40968
Фотон-12Б (ИО 309-17/3) извещатель охранный объемный оптико-электронный; объемная зона обнаружения; контроль вскрытия корпуса; поставляется в комплекте с кронштейном; высота установки 2…3 м; IP41; 10…15 В; -30…+50°С; 92*57*48 мм.
950 руб./шт
В корзину
Купить в 1 клик
Есть в наличии
БарнаулБийскКемеровоИркутскМосква
Код: 40980
Астра-517 исп. Р извещатель охранный объемный оптико-электронный; устойчивость к животным до 20кг; объемная зона обнаружения; антисаботажная зона отсутствует; микропроцессорный анализ сигнала; контроль вскрытия корпуса; самотестирование в процессе работы; устойчивость к внешней засветке не менее 6500 лк; оптоэлектронное реле; дальность10 м; угол зоны обнаружения 90°; высота 2,2-2,4 м; -30 +50°С; IP41; 70*51*41 мм.
730 руб./шт
В корзину
Купить в 1 клик
Есть в наличии
НовосибирскБарнаул
Код: 21618
ИО 102-11М (СМК-3) извещатель охранный точечный магнитоконтактный; для блокировки дверных и оконных проемов, других строительных, конструктивных элементов зданий и сооружений; для скрытого монтажа на деревянные конструкции; 100 в, 0,1 А; -50…+50 °С; ø 8 х 22 мм; 0.015 кг.
85 руб./шт
В корзину
Купить в 1 клик
Есть в наличии
НовосибирскБарнаулБийскКемеровоКрасноярскИркутскМосква
Код: 1347
Фотон-9 (ИО409-8) извещатель охранный объемный оптико-электронный; дальность обнаружения 10 м х 90°, термокомпенсация, тампер, Uпит.12В, Iпотр.15мА, IP41, tраб.-30…+50°С, 88х61х41 мм.
1 070 руб./шт
В корзину
Купить в 1 клик
Есть в наличии
НовосибирскБарнаулБийскКемеровоКрасноярскИркутскМосква
Код: 25266
Шорох-3 (ИО 315-10) извещатель охранный совмещенный вибрационный с датчиком наклона, чувств.0,1…1,6 м/с2, контр.площадь до 12 м2, чувст.к наклону 5°, тампер, Uпит.9…28В, Iпотр.25мА, IP41, tраб.-30...+50°С, 101*43*33 мм
3 313 руб./шт
В корзину
Купить в 1 клик
Есть в наличии
НовосибирскБарнаулБийскКемеровоКрасноярскИркутскМосква
Код: 1362
Шорох-2 (ИО 313-5/1) извещатель охранный поверхностный вибрационный (одноблочный), микропроц., чувств.0,1…1,6 м/с2, контр.площадь до 12 м2, Uпит.9…17В, Iпотр.25мА, IP30, tраб.-30...+50°С, 105х45х35 мм.
2 282 руб./шт
В корзину
Купить в 1 клик
Есть в наличии
НовосибирскКемеровоКрасноярскИркутскМосква
Код: 1325
Фотон-12 (ИО 409-17/1) извещатель оптико-электронный объемный, микропроц., 12 м х 90°, высота установки 2...5 м, термоком., тампер, Uпит.12В, Iпотр.15мА, IP41, tраб.-30…+50°С, 92х57х48 мм, кронштейн.
950 руб./шт
В корзину
Купить в 1 клик
Есть в наличии
Кемерово
Код: 29741
RXC-ST извещатель охранный объемный оптико-электронный ИК; объемный, область детекции: 12*12 м; угол 85° (78 зон детекции); защ.от животных, регул.чувствит.; U-пит. 9,5...16В; I-потр.8мА; t-раб.-20...+50С°; кронштейн в комплекте; вес: 70 г (с кронштейном - 90 г).
1 619 руб./шт
В корзину
Купить в 1 клик
Есть в наличии
Кемерово
Код: 28241
Астра-7 исп. РК извещатель охранный объемный оптико-электронный потолочный радиоканальный; работа с Астра-РИ-М РПУ; объемная круговая зона обнаружения; микропроцессорный анализ сигнала; контроль вскрытия корпуса; контроль напряжения питания; ИК- канал: угол зоны обнаружения 360°, ø 6/9 м; радиоканал: радиус 300, лит.1: 433,42 МГц, лит. 3: 434,42 МГц; 10 мВт; до 25 мА, до 3,6 В; -20 до +50°С; IP41; ø108 х 31 мм.
1 250 руб. /шт
3 978 руб.
-69%
Экономия 2 728 руб.
В корзину
Купить в 1 клик
Есть в наличии
НовосибирскБарнаулБийскКемеровоКрасноярскИркутскМосква
Код: 8192
Астра-515 исп. А извещатель охранный объемный оптико-электронный ИО 409-32, 10м, 90 град., линза -стандарт; объемная зона обнаружения (линза - "стандарт "); дискретная регулировка обнаружительной способности; оптоэлектронное реле; устойчивость к внешней засветке не менее 6500 лк; комплектация угловым кронштейном; IP41; 0 до +50°С; 86*54*41 мм.
630 руб./шт
В корзину
Купить в 1 клик
Есть в наличии
НовосибирскБарнаулКемеровоКрасноярск
Код: 23587
Астра-321Т (ИО 101-7/1) извещатель охранный ручной точечный электроконтактный; тревожная кнопка, фиксация при нажатии, контроль вскрытия корпуса, индивидуальные механические ключи разблокировки; IP 41; от -30 до +50°С; 87х57х30 мм; 0,1 кг.
410 руб./шт
В корзину
Купить в 1 клик
Есть в наличии
НовосибирскБарнаулКемеровоИркутскМосква
Код: 12248
Астра-531 СМ извещатель охранный совмещенный АК+ИК; 2 канала обнаружения; микропроцессорный анализ сигнала; оптоэлектронное реле; режим тестирования АК- канала; контроль вскрытия корпуса; контроль напряжения питания; поверхностная зона обнаружения; устойчивость к внешней засветке; дальность действия ИК 5 м/ АК 6 м; 8-15 В, 18 мА; 8 Ом;- 20 +50°С; IP30. 62*37*29 мм.
1 300 руб./шт
В корзину
Купить в 1 клик
Есть в наличии
НовосибирскБарнаулБийскКемеровоКрасноярскИркутскМосква
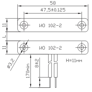
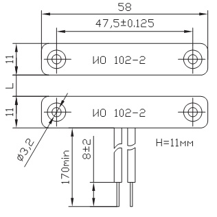
Код: 1378
ИО 102-2 (СМК-1) извещатель магнитоконтактный, накладной, расстояние между магнитом и герконом: при размыкании контактов, более 45мм, при замыкании контактов, менее 12.7мм, максимально допустимые токи и напряжения: максимальное коммутируемое напряжение, 72В, максимальный коммутируемый ток, 0.3А; -50°С+50 °С; тип контактов: НЗ; габаритные размеры: корпус геркона 58х11х11, корпус магнита 58х11х11.
108 руб./шт
В корзину
Купить в 1 клик










