Есть в наличии
НовосибирскБарнаулБийскКемеровоКрасноярскИркутскМосква
Код: 63643
R3-Рубеж-2ОП прибор приемно-контрольный R3-Link (10 шт/уп); ток, потребляемый прибором, при подключении 500 адресных устройств, не более: -1,5А при Uпит. 12В, -0,75А при Uпит. 24В; напряжение питания: от 10,2 до 14,4 В, от 20,4 до 28,8 В; от 0 до плюс 55°С; 200х160х50 мм; 1 кг.
42 981 руб./шт
В корзину
Купить в 1 клик
Есть в наличии
НовосибирскБарнаулБийскКемеровоКрасноярскИркутскМосква
Код: 61872
ИПР 513-11-А-R3 извещатель пожарный ручной адресный (20 шт/упак) Рубеж; питание от АЛС (24-36 В); усилие нажатия на кнопку, не менее 25 Н; частота моргания светового индикатора в режиме «Пожар» 2 Гц; от минус 25 до плюс 55°С; 88х86х45 мм; 100 г.
1 128 руб./шт
В корзину
Купить в 1 клик
Есть в наличии
Новосибирск
Код: 58487
ИМ-1-R3 модуль интерфейсный Рубеж; напряжение питания 12 В; IP20; -10...+55 °С; 85х125х37 мм; 150 г.
4 176 руб./шт
В корзину
Купить в 1 клик
Есть в наличии
НовосибирскБарнаулКемеровоКрасноярск
Код: 54007
ИПДЛ-264/2-150-R3 (ИП 212-264/30) извещатель пожарный дымовой линейный адресный (10 шт/упак) Рубеж; ток потребления извещателя излучателем 0,65мА, приемником 0,65 мА; 0,6 кг.
17 497 руб./шт
В корзину
Купить в 1 клик
Есть в наличии
НовосибирскБарнаулБийскКемеровоКрасноярскИркутскМосква
Код: 51913
МС-Е модуль сопряжения (10 шт/уп) Рубеж; длина кабеля интерфейса RS485, не более 1000 м; от -10 до плюс 40°С; 125х78х37 мм; 200 г.
9 185 руб./шт
В корзину
Купить в 1 клик
Есть в наличии
НовосибирскБарнаулБийскКрасноярскИркутскМосква
Код: 42930
Рубеж-ПДУ-ПТ пульт дистанционного управления (10 шт/уп) Рубеж; напряжение питания 10–28 В; пот.мощность 7 Вт; 0...+55 °С; 200х160х50 мм; 1 кг.
22 236 руб./шт
В корзину
Купить в 1 клик
Есть в наличии
НовосибирскБарнаулБийскКемеровоКрасноярскИркутскМосква
Код: 45061
ИВЭПР 12/3,5 RS-R3 2х17 БР источник питания резервированный Рубеж; входное напряжение сети 130…265 В; номинальный ток нагрузки 0...3,5 А; максимальный кратковременный ток нагрузки: 4 А; от -25 С° до +50 С°; 254*376*86 мм; 2,5 кг.
9 533 руб./шт
В корзину
Купить в 1 клик
Есть в наличии
НовосибирскБарнаулБийскКемеровоКрасноярскИркутскМосква
Код: 50007
ИВЭПР 12/5 RS-R3 2х17 БР источник питания резервированный Рубеж; входное напряжение сети 130…265 В; номинальный ток нагрузки» 0...5 А; максимальный кратковременный ток нагрузки 5,5 А (в течение 15 мин); выходное постоянное напряжени: при работе от сети: 13,4…13,8 В, при работе АКБ 10,8…13,5 В; 254×376×86 мм; 2,6 кг.
11 431 руб./шт
В корзину
Купить в 1 клик
Есть в наличии
НовосибирскБарнаул
Код: 51290
МС-2 прот. R3 модуль сопряжения (10 шт/уп) Рубеж; подключение объединенных по интерфейсу RS-485 адресных приемно-контрольных приборов к USB порту компьютера; подключение к компьютеру системы с перекрестными связями между адресными приемно-контрольными приборами, находящимися в одной сети RS-485; светодиодная индикачи; питание от USB ПК; 2/1 выход подключения интерфейсов; 0 + 40 °С; 125х78х37 мм; 200 г.
19 886 руб./шт
В корзину
Купить в 1 клик
Есть в наличии
НовосибирскБарнаулБийскКемеровоКрасноярскИркутскМосква
Код: 51289
МС-1 модуль сопряжения Рубеж; подключение объединенных по интерфейсу RS-485 адресных приемно-контрольных приборов к USB порту компьютера; подключение к компьютеру системы с перекрестными связями между адресными приемно-контрольными приборами, находящимися в одной сети RS-485; светодиодная индикация; питание от USB ПК; 1/1 выход подключения интерфейсов; 0 + 40 °С; 125х78х37 мм; 200 г.
6 370 руб./шт
В корзину
Купить в 1 клик
Есть в наличии
НовосибирскБарнаул
Код: 28337
МС-ПИ повторитель интерфейса (10 шт/уп) Рубеж; для использования с приборами «Рубеж-2АМ», «Рубеж 2ОП», «Рубеж-4А», ППКПУ серии «Водолей»; удлинение интерфейса RS-485 и обмен информацией между ПкП и компьютером; работа перекрестных связей в одной сети RS-485; светодиодная индикация; 7 модулей в сети; 10- 14 В; 0 +40 °С; 125х78х37 мм; 200 г.
8 574 руб./шт
В корзину
Купить в 1 клик
Есть в наличии
НовосибирскБарнаулБийскКемеровоКрасноярскИркутскМосква
Код: 39772
МДУ-1С-R3 модуль управления клапаном дымоудаления (8 шт/уп) Рубеж; подключение всех основных типов приводов; передача информации в ПкП; контроль на обрыв цепи до концевых выключателей; контроль на обрыв и КЗ цепей внешних кнопок; светодиодная индикация; 1 клапан; нагрузочная способность 24 В DC, 5 А или 230 В AC, 5 А; питание от АЛС 24-36 В; -25 +60°С; 108х170х42 мм; 210 г.
4 150 руб./шт
В корзину
Купить в 1 клик
Есть в наличии
НовосибирскБарнаулБийскКемеровоКрасноярскИркутскМосква
Код: 40138
МПТ-1-R3 адресный модуль управления пожаротушением (8 шт/уп) Рубеж; конфигурация через ПкП/ПО ОПС «FireSec»; управление автоматическими устройствами пожаротушения по командам; возможность подключения двух шлейфов сигнализации; формирование временной задержки перед включением АУП; контроль открытия дверей, выхода огнетушащего вещества, выходных/входных цепей на обрыв и КЗ; светодиодная индикация; два независимых ввода питания; АЛС гальванически развязаны; 10,5 -28,5 В; 30 ШС; 4 ЭДУ-ПТ; -25 +60°С; 170х108х42 мм; 220г.
7 394 руб./шт
В корзину
Купить в 1 клик
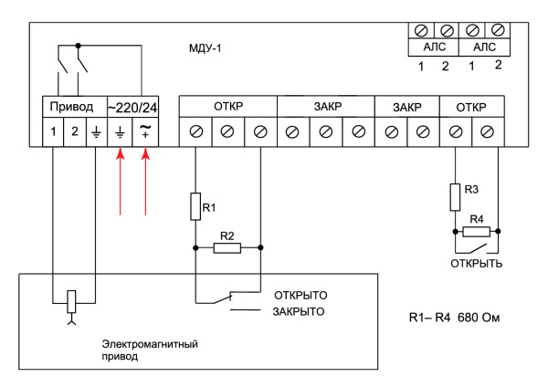
Есть в наличии
Москва
Код: 41138
МДУ-1 прот. R3 модуль управления клапаном дымоудаления (8 шт/уп) Рубеж; подключение всех основных типов приводов; передача информации в ПкП; контроль на обрыв цепи до концевых выключателей; контроль на обрыв и КЗ цепей внешних кнопок; светодиодная индикация; 1 клапан; нагрузчная способность 24 В DC, 2 А или 230 В AC, 0,25 А; питание от АЛС 24-36 В; -25 +60°С; 108*170*42 мм; 210 г.
4 834 руб./шт
В корзину
Купить в 1 клик
Есть в наличии
НовосибирскБарнаулБийскКемеровоКрасноярскИркутскМосква
Код: 39414
РМ-1С-R3 адресный релейный модуль силовой (10 шт/уп) Рубеж; конфигурация с компьютера/ПкП; обеспечивает подключение любых исполнительных устройств АСУТП; светодиодная индикация; питание и передача сигналов по униполярной линии связи; включение по событиям; питание от АЛС 24-36 В; 0,4 мА; -25 до +55°С; 84*125*37 мм; 100г.
2 994 руб./шт
В корзину
Купить в 1 клик
Есть в наличии
НовосибирскБарнаулБийскКемеровоКрасноярскИркутскМосква
Код: 33776
РМ-4К-R3 адресный релейный модуль (8 шт/уп) Рубеж; 4 выхода; светодиодная индикация; возможность установки на DIN-рейку; комплектуется 4-мя УПН; 10,5- 28,5 В; 180 мкА; -25 +55°С; 125х78х37 мм; 150г.
4 672 руб./шт
В корзину
Купить в 1 клик
Есть в наличии
НовосибирскБарнаулБийскКемеровоКрасноярскИркутскМосква
Код: 33753
АМ-1-R3 (корпус-мини) адресная метка для получения извещений (360 шт/уп) Рубеж; контроль неисправностей линии связи; подача извещения о событии; возможность установки на DIN-рейку; 1 линия контроля; питание от АЛС 24-36В; 0,18 мА; -25 +60°С; 51х51х24 мм; 30 г.
942 руб./шт
В корзину
Купить в 1 клик
Есть в наличии
НовосибирскБарнаулБийскКемеровоКрасноярскИркутскМосква
Код: 33946
РМ-1-R3 адресный релейный модуль (40 шт/уп) Рубеж; конфигурация с компьютера/ПкП; обеспечивает подключение любых исполнительных устройств АСУТП; светодиодная индикация; питание и передача сигналов по униполярной линии связи; включение по событиям; питание от АЛС 24-36 В; 0,18 мА; -25 до +55°С; 52*52*24 мм; 28 г.
1 503 руб./шт
В корзину
Купить в 1 клик
Есть в наличии
НовосибирскБарнаулБийскКемеровоКрасноярскИркутскМосква
Код: 33924
АМ-4-R3 адресная метка (10 шт/уп) Рубеж; контроль неисправностей линии связи; подача извещения о событии; возможность установки на DIN-рейку; 4 линии контроля; питание от АЛС 24-36В; 0,38 мА; от -25 +60°С; 84х125х37 мм; 100 г.
1 683 руб./шт
В корзину
Купить в 1 клик
Есть в наличии
НовосибирскБарнаулКемеровоКрасноярскМосква
Код: 33923
РМ-1К-R3 адресный релейный модуль (8 шт/уп) Рубеж; 1 выход; светодиодная индикация; возможность установки на DIN-рейку; комплектуется 1 УПН; 10,5- 28,5 В; 180 мкА; -25 +55°С; 125х78х37 мм; 150г.
3 108 руб./шт
В корзину
Купить в 1 клик
